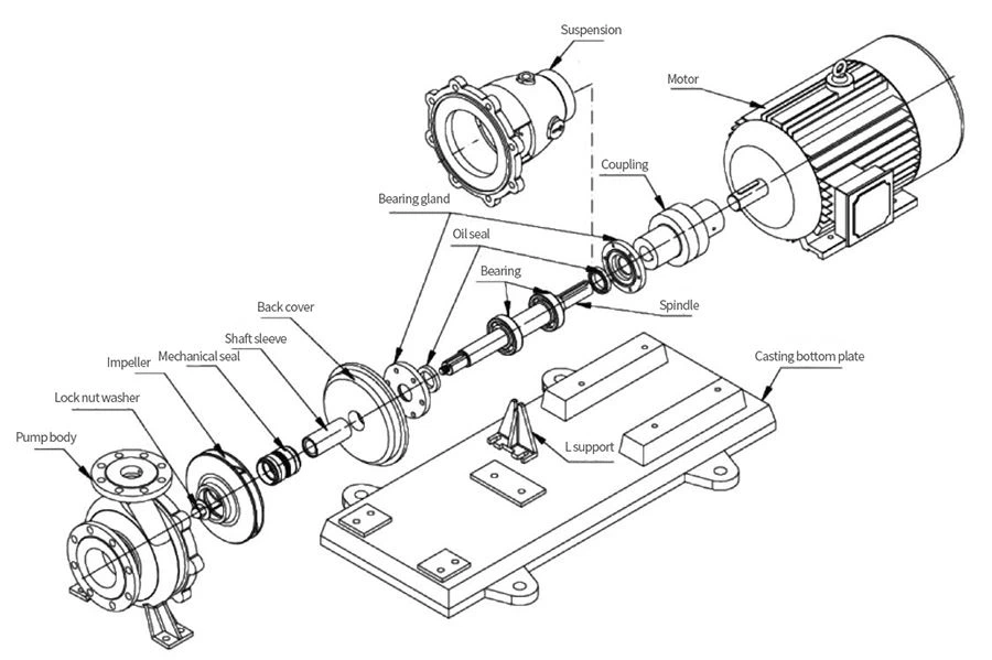
Descripción del producto
La bomba química de aislamiento térmico tipo IR es una serie de bombas centrífugas en voladizo de succión única de una etapa. Es un producto derivado de la bomba centrífuga química tipo IH. El tamaño de las piezas se ha estandarizado y los productos ahorran energía y son eficientes. Se utiliza principalmente en productos químicos, fibra química, petróleo, alimentos, productos farmacéuticos, etc. El medio de solución de transporte industrial tiene un alto punto de congelación (o temperatura de punto de cristalización) y un líquido corrosivo a alta temperatura.
Caracteristicas
La parte principal de desbordamiento de la bomba química de preservación de calor IR está provista de una capa intermedia hueca, y hay múltiples circulaciones para el líquido de transmisión y la bomba para vapor, agua caliente, aceite caliente, refrescos, etc., y hay muchas formas de preservación del calor para conectar con el sistema externo de preservación del calor. La presión de diseño es 1.6Mpa, temperatura: T≤250 ℃. Flujo 3.4 ~ 460m3 / h Altura: H=3.6 ~ 132m, velocidad 1450-2900r / min

Uso del producto
La bomba química de preservación de calor IR es adecuada para medios químicos que tienen solidificación y cristalinidad a temperatura normal, adecuada para el medio que necesita enfriarse en el punto de vaporización y también adecuada para el punto de congelación (o temperatura del punto de cristalización) del medio de solución en la alta temperatura media de la meseta fría -80 ~ +250 ℃. Alto, con líquido corrosivo.
Significado del modelo
Por ejemplo: IR50-32-125
Bomba química de aislamiento IR
50-diámetro de entrada (mm)
32 salidas de diámetro (mm)
Rango de aplicación
La bomba química de conservación de calor por infrarrojos es adecuada para transportar líquido limpio o que contiene partículas, líquido de baja o alta temperatura, líquido neutro o corrosivo.
Utilizado principalmente:
Refinería de petróleo, industria petroquímica, industria de procesamiento de carbón e ingeniería de baja temperatura.
Industria química, papelera, celulosa, azucarera e industria de procesos en general.
Planta de abastecimiento de agua, planta desaladora
Sistema de calefacción y aire acondicionado
Planta de energía
Ingeniería de Protección Ambiental
Industria naval, etc.













